HDMI认证

详情
一、认证简介
HDMI:(High Definition Multimedia Interface)高清晰度多媒体接口,是一种数字化视频/音频接口技术。2002年4月由日立、松下、飞利浦、Silicon Image、索尼、汤姆逊、东芝七家公司共同组建了HDMI高清多媒 体接口接口组织,即HDMI协会。同年12月9日正式发布了HDMI 1.0版标准,标志着HDMI技术正式进入历史舞台。到今天已经更新到2.1版本。
二、认证优势
HDMI最高数据传输速度为5Gbps,不仅可以满足1080P的分辨率,还能支持DVD Audio等数字音频格式,支持八声道96kHz或立体声192kHz数码音频传送,可以传送同时传送无压缩的音频信号及视频信号。
HDMI还具有 “即插即用”的特点,信号源和显示设备之间会自动进行“协商”,自动选择最合适的视频/音频格式。
与传统接口相比HDMI接口的体积更小,只要一条HDMI缆线,就可以取代最多13条模拟传输线,简化了布线,提供最高质量的音视体验。所以被各类广泛采用!
三、常见的HDMI接口类型

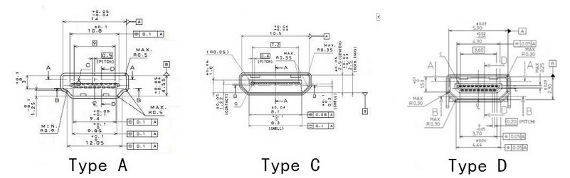
HDMI常用接口有A、C、D、E四种接口
AType:共有29pin,是目前最常用的类型,被电视、显示器、电脑、机顶盒等广泛采用
CType:俗称MiniHDMI,共有19pin,可以说是缩小版的HDMIAtype,但脚位定义有所改变。主要是用在便携式装置上,例如DV、数码相机、便携式多媒体播放机等
DType:俗称microHDMI,保持hdmi标准的19pin.但是尺寸与微型USB的接口差不多,尺寸为2.8mm×6.4mm,比minihdmi(2.42mm×10.42mm)小很多,主要应用在一些小型的移动设备上,如手机,MP4等等
四、为什么要做HDMI认证呢?
HDMI可在一条线缆上传输无压缩的高保真信号,由于HDMI数据贷款大约有5Gbps,对于传输品质要求相当苛刻,所以HDMI认证确保了产品的通讯品质,取得了HDMI合法认证的产品,即可保证传输信号的品质及标准性。
另外,HDMI属于专利性强制认证,如果客户使用HDMI技术(使用HDMI接口),即代表产品使用了HDMI的专利技术,要向HDMI协会申请认证授权方可使用,否则则为侵权行为。(这也是为什么众多客户会被海关扣押的原因)
五、HDMI认证流程
第一步:申请HDMI会员
第二步:样品测试
第三步:申报季度权利金

扫一扫微信交流